Bei diesem Kachelofeneinsatz handelt es sich um ein Gerät der neuen schadstoffarmen Ortrand Geräteserie. Der Ortrand 3020.6 1 ist mit seinen unveränderten Abmaßen der ideale Heizeinsatz zum Austausch der Ortrand Kachelofeneinsätze 3020 der alten Generation. Mit gleicher Heizleistung jedoch überarbeiteter Technik und sparsamerem Verbrauch wird er den Ansprüchen des modernen Kunden an eine effiziente und schadstoffarme Verbrennung sowie den Emissionsgrenzwerten der BImschV Stufe 2 gerecht.
Merkmale
|
Nennwärmeleistung |
8,5 kW |
|
Wirkungsgrad |
83,8 % |
|
Energieeffizienzklasse |
A+ |
|
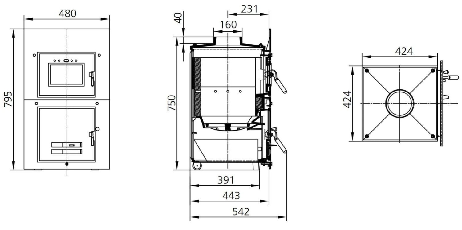
Abmessungen (HxBxT) |
75,0 x 42,4 x 44,3 cm |
|
Frontplatte (HxB) |
79,5 x 48,0 cm |
|
Türanschlag |
links |
|
Gewicht |
ca. 130 kg |
|
Material |
Gusseisen |
|
Rauchrohranschluss (Ø) |
160 mm |
|
Brennstoffe |
Braunkohlebriketts |
Highlights
|
Feuerungswärmeleistung |
11 kW |
|
für Mehrfachbelegung des Schornsteins geeignet |
Ja |
|
Geprüft nach |
DIN EN 13229 |
Daten für den Schornsteinfeger nach DIN EN 13384
|
Abgasmassenstrom |
7,5 g/s |
|
Abgastemperatur am Abgasstutzen |
570 °C |
|
Erforderlicher Förderdruck |
12 Pa |
|
Verbrennungsluftbedarf |
30 m³/h |
|
Erforderlicher Umluftquerschnitt |
1200 cm² |
|
Erforderlicher Zuluftquerschnitt |
1200 cm² |
|
Erforderliche Dämmstoffdicke zur Decke |
360 mm |
|
Erforderliche Dämmstoffdicke zur Anbauwand |
160 mm |
|
Erfüllte Verordnungen |
BImSchV Stufe 1 und 2 |
Hinweise
Direkter Anschluss an den Schornstein nicht zulässig. Anschluss nur in Verbindung mit Nachheizkasten oder Nachheizfläche möglich.
Weiterführende Informationen
Datenblatt
Leistungserklärung
Aufbauanleitung
Bedienungsanleitung
HINWEIS: Sperrgut mit Speditionsversand.
Technische Änderungen und Irrtümer vorbehalten

















Rezensionen
Es gibt noch keine Rezensionen.